半導体入門

現代社会の「魔素」が見えるように

司馬博文

3/20/2024

1 イントロ

半導体とは?なぜ重要なのか?

1.1 半導体

  • 21世紀に入った時点で,大きく分けて 18 の半導体デバイスが存在する (Ng, 2002)
  • 細かいものを含めると 140.
  • 全てトランジスタの組み合わせからなる.

1.2 半導体産業

世界の半導体出荷額は直近 10 年で2倍になっている

1.3 半導体とは?

物質としての半導体

価電子帯と伝導帯の間の 禁制帯 (band gap) が十分に小さくて遷移を制御することが可能で,基底状態では価電子帯は完全に埋まっているものの伝導帯は空いているような物質を 半導体 という.1

1.4 半導体の物理

このような半導体では,熱や光,また外部電磁場などにより価電子が励起され,伝導帯に移る.この電子に加えて,価電子帯に生じた正孔も導電性に寄与する.1 この 正孔 (hole) を擬似的に粒子と扱い,正孔の波動方程式を議論したのが (Heisenberg, 1931) である.

1.5 半導体発見の歴史

(Faraday, 1833) は,通常金属では温度の上昇と共に電気抵抗が増すが,硫化銀 Ag2S を初めとしたいくつかの物質では逆に電気抵抗が減少することを報告している.

(Braun, 1874)方鉛鉱 PbS に電流を流そうとしても,単一方向にしか電流が流れない整流作用を示すことを発見し,1 その後20世紀に入るとラジオに応用された.これが人類が初めて出会った半導体デバイスだったと言える (Sze and Lee, 2012, p. 1)2

Braun はその後ブラウン管を発明し,こちらの業績により 1909 年にノーベル物理学賞を受賞する.

1.6 基本用語のまとめ

半導体素子には,トランジスタやダイオードなどがある.これらを配線によって相互接続したものが IC チップである.IC チップはシリコンのインゴットを円板状に切り出した ウエハ (wafer) 上に構築する.IC チップは平面的な印象を受けるが,実際は層に分けて構成されている,高度に立体的な構造物である.

一つのウエハから多数のチップが作成され,その各単位を ダイ (die) ともいう.

しかし,普段我々が目にする IC チップパッケージ されたもの,で.IC チップそのもの(ダイそのもの)を目にすることはない.

32nm などというときは,ダイの大きさではなく,ダイ上の最小のトランジスタのサイズをいう.1

2 集積回路が出来るまで

2.1 設計

まず回路を設計し,原版(マスター)を作る.これを フォトマスク (photomask) または レティクル (reticle) という.

2.2 フォトリソグラフィ

これをウエハに転写するには,フォトリソグラフィ (Photolithography) を用いる.シリコンウエハの形成は,Czochralski 法 (Czochralski, 1918) による.1

2.3 フォトリソグラフィの歴史

リソグラフィ自体は 1798 年からあり,Niépce歴青 が感光剤の役割を果たすことを発見し,カメラの発明と同時に発見された.

camera obscura

2.4 フォトリトグラフィの産業応用

エッチングに耐性のある感光剤を使えば,半導体デバイスの製造に応用できると気づいたのは (Andrus, 1957) である.この技術は半導体製造コストの 35 %を占めており,半導体市場の急成長はほとんどこの技術の進歩と両輪であると言う者も多い.1

シリコン表面に酸化被膜を形成することで不純物原子の移動を阻止できることは (Frosch and Derick, 1957) が発見した.

2.5 最初の IC

以上の技術を用いて,最初の IC は Texas InstrumentsJack Kilby によって作られた.

Miniaturized electronic circuits. U.S. Patent 3,138,743A (Kilby, 1959)

Jack Kilby はその後 2000 年にノーベル物理学賞を受賞する.

2.6 最初の IC

設計図
  • 双極トランジスタ が1つ
  • 抵抗器3つ
  • コンデンサ1つ
  • 全てゲルマニウムからなる.
  • 回路は導線

2.7 次の IC

Fairchild Semiconductor の Robert Noyce によって作られた.

Semiconductor Device-and-Lead Structure. U.S. Patent 2,981,877A (Noyce, 1959)

Robert Noyce はその後 Gordon Moore と Intel も創業し,the Mayor of Silicon Valley と呼ばれる.

2.8 次の IC

設計図
  • リトグラフによりアルミニウムの配線を形成

  • Planar Process (Hoerni, 1960) (現在主流の製法)で製造

  • 1つのシリコン基盤上に作った

    monolithic で大量生産が可能

1961 年から 1965 年は,NASA の Appolo 計画からの特需もあり,半導体産業は大きく成長した.

3 製造

技術は揃った.実際に,どのように半導体チップを製造するか?

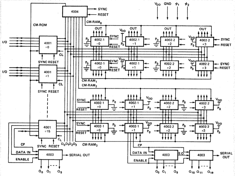
3.1 設計 (design)

世界初の1チップ CPU の設計図 from (Hoff et al., 1996, p. 11)

4 半導体製造装置

半導体製造装置企業 売上高ランキング

参考文献

Andrus, J. (1957). Fabrication of semiconductor devices. U.S. Patent 3,122,817A.
Böer, K. W., and Pohl, U. W. (2018). Semiconductor physics. Springer Cham.
Braun, F. (1874). Über die stromleitung durch schwefelmetalic. Annalen Der Physik and Chemie, 153(4), 556–563.
Bridgman, P. W. (1925). Certain physical properties of single crystals of tungsten, antimony, bismuth, tellurium, cadmium, zinc, and tin. Proceedings of the American Academy of Arts and Sciences, 60(6), 305–383.
Czochralski, J. (1918). Ein neues verfahren zur messung der kristallisationsgeschwindigkeit der metalle. Zeitschrift Für Physikalische Chemie, 92U(1), 219–221.
Faraday, M. (1833). Experimental researches in electricity. Third series. Philosophical Transactions of the Royal Society of London, 123, 23–54.
Frosch, C. J., and Derick, L. (1957). Surface protection and selective masking during diffusion in silicon. Journal of the Electrochemical Society, 104(9), 547.
Heisenberg, W. (1931). Zum paulischen ausschließungsprinzip. Annalen Der Physik, 402(7), 888–904.
Hoerni, J. A. (1960). Planar silicon diodes and transistors. In 1960 international electron devices meeting.
Hoff, M. E., Faggin, F., Mazor, S., and Shima, M. (1996). The history of the 4004. IEEE Micro, 16(6), 10–20.
Huebener, R. P. (2019). Conductors, semiconductors, superconductors: An introduction to solid-state physics. Springer Cham.
Kilby, J. S. (1959). Miniaturized electronic circuits. U.S. Patent 3,138,743A.
Madelung, O. (1978). Introduction to solid-state theory,Vol. 2. Springer Berlin, Heidelberg.
Ng, K. K. (2002). Complete guide to semiconductor devices. John Wiley & Sons.
Noyce, R. N. (1959). Semiconductor device-and-lead structure. U.S. Patent 2,981,877A.
Patterson, D. A., and Hennessy, J. L. (2014). Computer organization and design: The hardware/software interface. Elsevier.
Sze, S. M., and Lee, M.-K. (2012). Semiconductor devices: Physics and technology. John Wiley & Sons.
Welker, H. (1952). Über neue halbleitende verbindungen. Zeitschrift Für Naturforschung A, 7(11), 744–749.